宁德中砂
首页
解决方案
产品中心
案例一览
研发专利
联系我们
…
首页
解决方案
产品中心
案例一览
研发专利
联系我们
宁德中砂
首页
解决方案
产品中心
案例一览
研发专利
联系我们
…
首页
解决方案
产品中心
案例一览
研发专利
联系我们
————
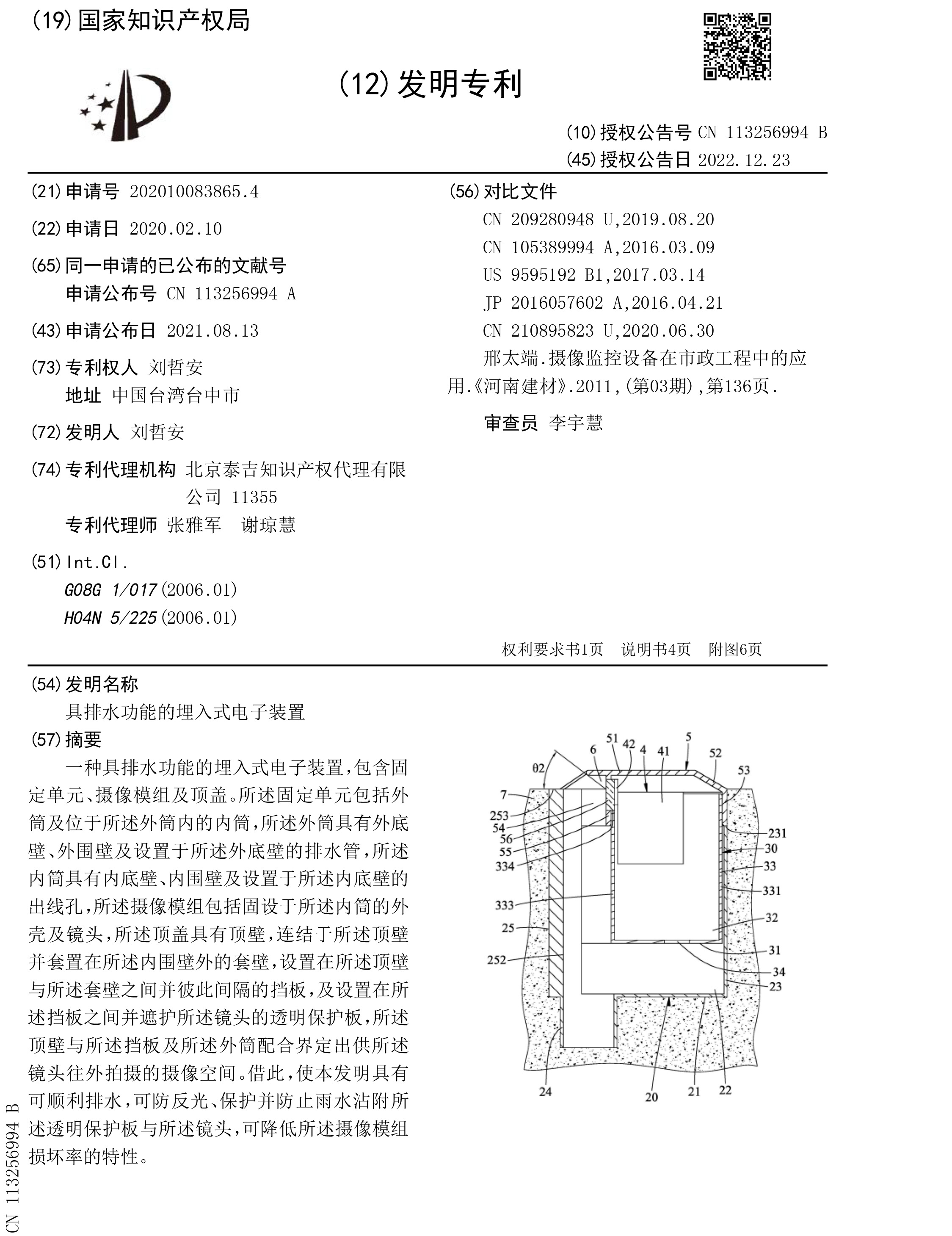
中国专利申请案件
——
中国已发证之发明专利
————
国外专利申请案件
——
已发证之发明专利
宁德中砂
中砂科技有限公司
https://user-assets.sxlcdn.com/images/1264837/FlmcbzYtu6If0cdfR3sOGRaW8_rB.png?imageMogr2/strip/auto-orient/thumbnail/1200x630>/format/png
Cookie的使用
我们使用cookies来确保流畅的浏览体验。若继续,我们认为你接受使用cookies。
确认
了解更多